Циклон БЦ-245-1-(4x4) в Омске

Батарейный циклон БЦ-245-1-(4x4) используется для удаления золы, угольной и неслипающейся пыли размером не более 5 мкм. Очистка воздуха происходит путем отделения твердых частиц от загрязненных потоков воздуха. Мощность циклона ЦБ не может быть отрегулирована, п

Цена:
Цена не указана
Количество:
Отправляя свои личные данные через формы на сайте, Вы даёте своё согласие на обработку персональных данных согласно Федеральному закону №152-ФЗ «О персональных данных» от 27.07.2006 г. в редакции от 01.07.2017.

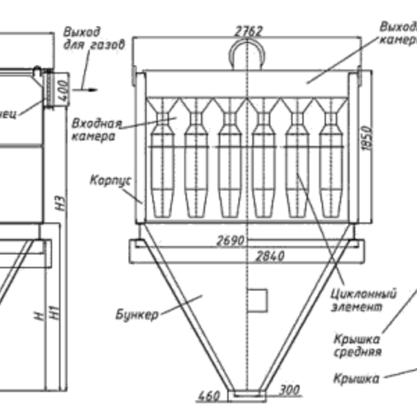
Устройство и принцип работы циклона БЦ-245-1-(4x4)

Батарейные циклоны БЦ-245-1-(4x4) — это ряд полых цилиндрических корпусов с конусообразной нижней частью, входными патрубками и аппаратами закручивания (полуулитками). Внутри общего корпуса батарейного циклона расположен ряд циклонных элементов, где каждый последующий устанавливается ниже предыдущего.

Циклон батарейный БЦ-245-1-(4x4) состоит из трех камер (верхняя, средняя, нижняя). Сначала потоки загрязненного воздуха попадают в средний отсек и проникают во все циклонные элементы. Далее, за счет центробежной силы, зола и пыль оседает на стенках средней камеры. При контакте со встречными потоками воздуха, твердые частицы золы и пыли попадают в нижнюю секцию (бункер), в то время как обработанный чистый воздух проходит через верхнюю камеру и выходит из системы.

Условное обозначение

Циклон БЦ-245-1-(4x4), где:

  • Ц — циклон;
  • Б — батарейный.
  • 245 — диаметр циклонного элемента, мм;
  • 1 — количество секций;
  • (4x4) — количество элементов.

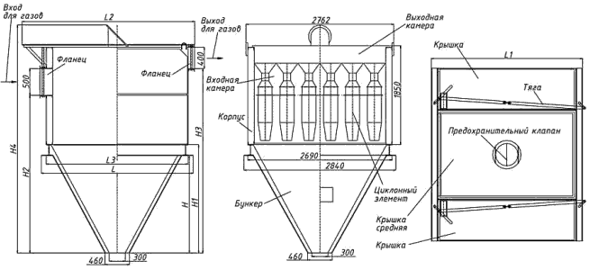
Монтаж циклона БЦ-245-1-(4x4)

Эффективность работы батарейного циклона БЦ-245-1-(4x4) зависит от соблюдения СНиП 11-35-76 «Котельные установки» и «Правил устройства и безопасной эксплуатации паровых и водогрейных котлов». Чтобы не допустить перепад температур и образования конденсатов в нижней камере циклона, прибор устанавливают внутри помещения. Если котельная располагается за пределами помещения или не имеет стабильность температуры, то корпус циклона обшивается теплоизоляционными материалами.

Установка и пуско-наладочные работы выполняют специалисты, которые имеют разрешение на проведение данных работ. При установке циклона на удаленном расстоянии от котла, недопустимы перегибы, сужения и расширения газопровода.

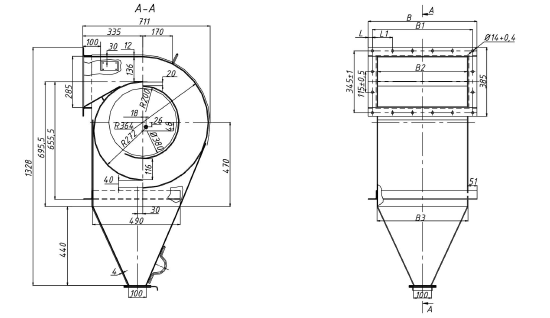
Характеристики
Тип: ЦБ
Серия: БЦ-245
Диаметр циклонного элемента: 245 мм
Количество элементов: 16 шт
Количество секций: 1 шт
Производительность по воздуху: 6500 м³/ч
Степень очистки газов: 80-95 %
Максимальная температура очищаемого газа: 300 °С
Габаритные размеры: 1800x1325x3095 мм
Масса: 1670 кг
Схемы

Города поставок

Москва
Пн-Пт 09:00 - 18:00
Сб 09:00 - 17:00
Карачаево-Черкесская Республика
Пн-Пт 09:00 - 18:00
Сб 09:00 - 17:00
Екатеринбург
Пн-Пт 09:00 - 18:00
Сб 09:00 - 17:00

Совершите покупку за 4 шага

Шаг 1
Выберите товары из каталога
Шаг 2
Поместите нужные вам товары в корзины
Шаг 3
Укажите свои контактные данные в форме обратной связи
Шаг 5
Ожидайте звонка от менеджера для оформления покупки

Похожие товары

Циклоны
Циклон ЦН-24-800-1УП — это устройство, которое предназначено для очистки газового потока от частиц пыли, размер которых более 20 мкм. Данное очистное устройство не предназначено для высокой степени очистки газов от загрязняющих веществ, применяется как первая ступень очистки газа от пыли для дальнейшей дезактивации или как очистное сооружения на предприятиях, где есть обширная санитарно-защитная зона и возможности выбрасывать загрязнённые газовые потоки в атмосферу. Чаще всего применяется данная модель циклона на предприятиях черной и цветной металлургии, при изготовлении строительных материалов, в машиностроительной промышленности, при транспортировке вредных мелкозернистых вредных веществ, а также в нефтяной и химической индустрии.
Вы смотрели эти товары
Циклоны
Батарейный циклон БЦ-245-1-(4x4) используется для удаления золы, угольной и неслипающейся пыли размером не более 5 мкм. Очистка воздуха происходит путем отделения твердых частиц от загрязненных потоков воздуха. Мощность циклона ЦБ не может быть отрегулирована, п
Циклоны
Батарейный циклон БЦ-245-1-(7x7) используется для удаления золы, угольной и неслипающейся пыли размером не более 5 мкм. Очистка воздуха происходит путем отделения твердых частиц от загрязненных потоков воздуха. Мощность циклона ЦБ не может быть отрегулирована, п
Циклоны
Батарейный циклон БЦ-245-1-(4x5) используется для удаления золы, угольной и неслипающейся пыли размером не более 5 мкм. Очистка воздуха происходит путем отделения твердых частиц от загрязненных потоков воздуха. Мощность циклона ЦБ не может быть отрегулирована, п